网站首页
关于慈虹
产品中心
新闻资讯
公司实景
台区现场图
台区解决方案
荣誉资质
联系我们
ENGLISH
首页
关于慈虹
产品中心
新闻资讯
公司实景
台区现场图
台区解决方案
荣誉资质
联系我们
ENGLISH
搜索
产品分类
首页
/
产品中心
/
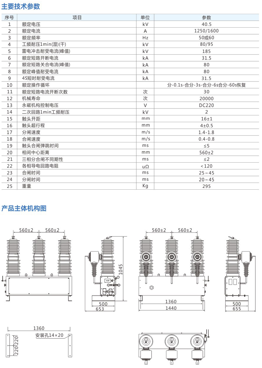
Zw32-40-5户外高压真空断路器
/
返回列表
Zw32-40-5户外高压真空断路器
发送询盘
联系我们
产品描述
在线询盘
走进慈虹
公司简介
资质证书
适用场景
安装现场
战略伙伴
公司简介
车间展示
企业文化
产品中心
智能熔断器系列
电动隔离开关系列
户内、户外真空断路器及柱上开关系列
户外高压隔离开关系列
产品中心
智能熔断器系列
电动隔离开关系列
户内、户外真空断路器及柱上开关系列
户外高压隔离开关系列
新闻资讯
行业新闻
公司资讯
新闻资讯
行业新闻
公司资讯
电话
0577-67279728
邮箱
:zjcihongkeji2023@163.com
Copyright © 2024 浙江慈虹电力科技有限公司 ICP备案号:
浙ICP备2024129356号-1
首页
拨号
拨号
联系我们