网站首页
关于慈虹
产品中心
新闻资讯
公司实景
台区现场图
台区解决方案
荣誉资质
联系我们
ENGLISH
首页
关于慈虹
产品中心
新闻资讯
公司实景
台区现场图
台区解决方案
荣誉资质
联系我们
ENGLISH
搜索
产品分类
首页
/
产品中心
/
zW7-40-5(M)户外高压真空断路器
/
返回列表
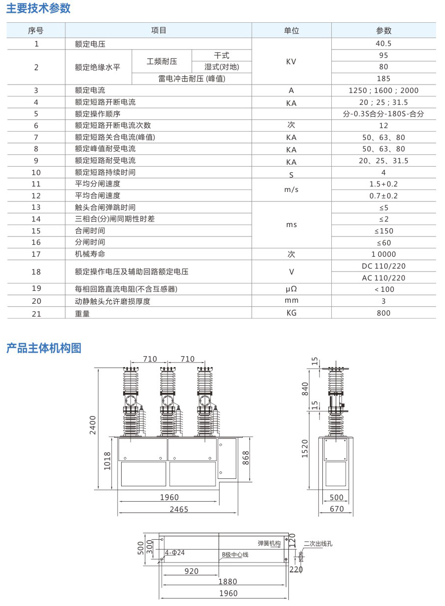
zW7-40-5(M)户外高压真空断路器
发送询盘
联系我们
产品描述
在线询盘
走进慈虹
公司简介
资质证书
适用场景
安装现场
战略伙伴
公司简介
车间展示
企业文化
产品中心
智能熔断器系列
电动隔离开关系列
户内、户外真空断路器及柱上开关系列
户外高压隔离开关系列
产品中心
智能熔断器系列
电动隔离开关系列
户内、户外真空断路器及柱上开关系列
户外高压隔离开关系列
新闻资讯
行业新闻
公司资讯
新闻资讯
行业新闻
公司资讯
电话
0577-67279728
邮箱
:zjcihongkeji2023@163.com
Copyright © 2024 浙江慈虹电力科技有限公司 ICP备案号:
浙ICP备2024129356号-1
首页
拨号
拨号
联系我们